- 集團網站
- 選擇區域/語言
登錄
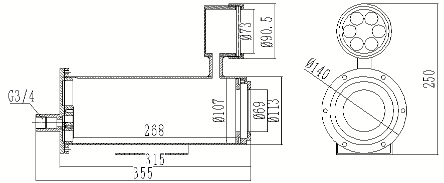
型號 |
IPC-FB8510-RW |
內腔尺寸 |
268(L)*70(W)*70(H)mm |
外形尺寸 |
355(L)*?140(W)*250(H)mm |
材料 |
外殼304或316L不銹鋼 |
防護等級 |
防護等級 IP68 |
安裝方式 |
壁裝 |
供電方式 |
DC12V |
接口 |
1 個 3/4" 出線孔 |
紅外距離 |
50M |
重量 |
4.2Kg |
